Oczyszczanie ścieków
Oczyszczanie ścieków przy pomocy nanocząstek z rdzeniem magnetycznym
Woda jest jednym najistotniejszych związków na ziemi i ma wpływ na rozwój działalności człowieka. Podczas gdy powszechny dostęp do czystej wody jest niezbędny dla naszego zdrowia, równocześnie jej zanieczyszczenie wzrasta na całym świecie.
Wzrost przemysłu, wzrost populacji ludzkiej oraz działalność rolnicza prowadzą do zanieczyszczenia metalami ciężkimi naszego środowiska. Nawet w niskich stężeniach te zanieczyszczenia mogą powodować zmiany w prawidłowym funkcjonowaniu ekosystemu.
Do zanieczyszczeń metalami ciężkimi zalicza się:
- Arsen As
- Chrom Cr
- Miedź Cu
- Ołów Pb
- Kadm Cd
- Nikiel Ni
- Kobalt Co
W celu detoksykacji metali ciężkich stosowane są różne techniki takie jak utlenianie fotokatalityczne, koagulacja, bioremediacja, wymiana jonowa, filtracja membranowa i adsorpcja. Wobec tej ostatniej techniki największy potencjał w ostatnich latach stanowią nanoadsorbenty, które odpowiednio dobrane są w stanie selektywnie sorbować na swojej powierzchni konkretne związki. Swoją wydajność zawdzięczają nanorozmiarom cząstek sorbujących i tym samym bardzo dużej powierzchni rozwinięcia. Wadą nanoadsorbentów jest trudność z ich odzyskaniem oraz ewentualnym przedostaniem się ich do środowiska, gdzie również mogą stanowić zagrożenie. Rozwiązaniem tego problemu są nanoadsorbenty z rdzeniem magnetycznym jak np. magnetyt (Fe3O4), umożliwiając separację z układu przy pomocy pola magnetycznego. Same cząstki magnetytu mogą sorbować na swojej powierzchni związki organicznie/nieorganiczne, a powleczone odpowiednią substancją mogą sorbować metale ciężkie. Po procesie oczyszczania, usunięte z układu mogą zostać poddane regeneracji, co w konsekwencji prowadzi do ponownego wykorzystania nanocząstek oraz substancji sorbowanej.
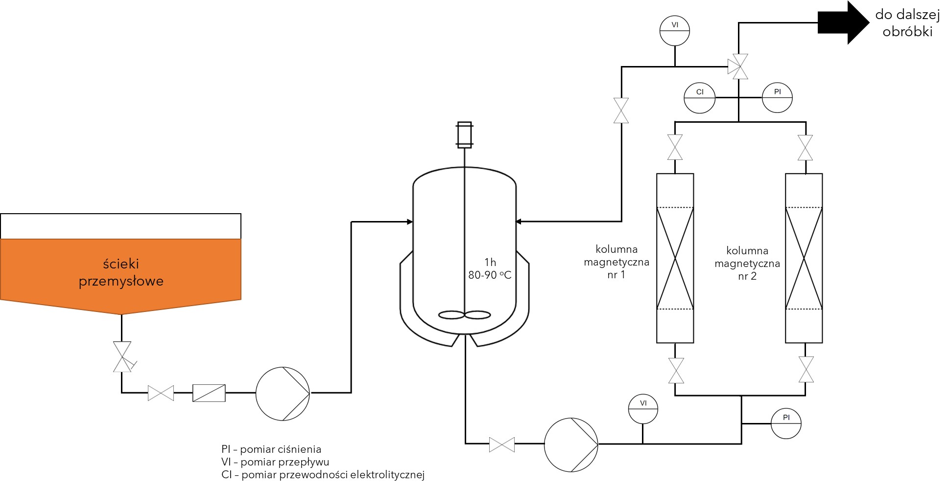
Schemat działania:

Wion Technology oferuje produkcję nanoadsorbentów tlenku żelaza, zgodnie z przeznaczeniem sorbcyjnym. Funkcjonalizacja powierzchni tlenku żelaza jest uwarunkowana potwierdzonymi przesłankami naukowymi lub poprzedzającymi wynikami badań.
Poniżej przedstawiamy tabelę doboru substancji funkcjonującej nanoadsorbent, a usuwanymi jonami metali:
|
Powłoka |
Ni2+ | Cu2+ | Hg2+ | Co2+ | Zn2+ | Pb2+ | As5+/As3+ | Cd2+ | Cr3+/Cr6+ |
| Kwas cytrynowy |
O |
O |
O |
O |
|||||
| APTES |
O |
||||||||
| Kwas humusowy |
O |
O | O |
O |
|||||
| etylenodiamina |
O |
O | O | O | O | O |
O |
||
| DMSO |
O |
O |
O |
||||||
| SiO2 | |||||||||
| EDTA |
O |
O |
O |
||||||
| PEG |
O |
O |
O |
O |
[1] Pragnesh N. Dave, Lakhan V. Chopda, „Application of Iron Oxide Nanomaterials for the Removal of Heavy Metals”, Journal of Nanotechnology, vol. 2014, Article ID 398569, 14 pages, 2014 https://doi.org/10.1155/2014/398569
[2] Preparation, Characterization and Adsorption Study of Granular Activated Carbon/Iron oxide composite for the Removal of Boron and Organics from Wastewater,Augustine Chioma Affam, Chee Chung Wong, Mohammed A. B. Seyam, Chelsea Ann Anak Frederick Matt, Josephine Lantan Anak Sumbai, Abdullahi Mohammed Evuti E3S Web Conf. 34 02006 (2018) DOI: 10.1051/e3sconf/20183402006
[3] Sureshkumar, Vaishnavi & Daniel, Kiruba & Muthusamy, Sivakumar & Kandasamy, Ruckmani. (2015). Fabrication of chitosan–magnetite nanocomposite strip for chromium removal. Applied Nanoscience. 6. DOI 10.1007/s13204-015-0429-3
